Product Description:
Name:Broadband 1500 W Water-Cooled Thermopile Sensor
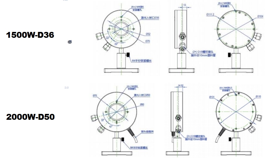
Type:BND-1500W-D36
The BND-1500W-D36 thermopile sensor is a water cooled laser power and energy thermal sensor with a 36 mm aperture. It can measure optical power from 10 to 1500 W . It has the spectrally flat broadband BB coating and covers the spectral range from 266 nm-10.6 um.
Features:
1.Measures laser power continuously, up to 1500W.
2.Highly linear, does not require sectional calibration.
3.Excellent absorption capability.
4.Available with 35mm apertures.
5.Water cooling feature.
6.Broadband 266 nm-10.6 umabsorber
7.Water-cooled for 15 to 1500 W average power measurement
Product Specifications:
Model | BND-1500W-D36 |
Absorption | 90% |
Wavelength Range | 266nm-10.6um |
Power Range | 10W-1500W |
Scale | Auto |
Aperture | 36mm |
Power Resolution | 0.1W |
Response Time(0-95%)(a) | <5s |
Calibration Uncertainty | <3.5% |
Non-linearity | <±1% |
Accuracy | ±4% |
Damage Threshold (b) | 1.7kW/cm2 @1.5kW |
Cooling | Water |
Recommended Water Flow Rate @Full power (c) | 3L/min |
Dimensions | ?111.2×36.2mm |
Cable Length | 5m |
Connector Type | DB15 |
Notes:
(a).Time from zero to 95% of stable value;
(b).Recommended laser diameter:>25mm@1.5kW;>20mm@2kW;
(c).Recommended water temperature range:18-30°C; Water temperature change rate:<1℃ /min.
Dimensions of laser power sensor:

